收費標準
方圓總機:010-88411888
申投訴專線:010-68422203
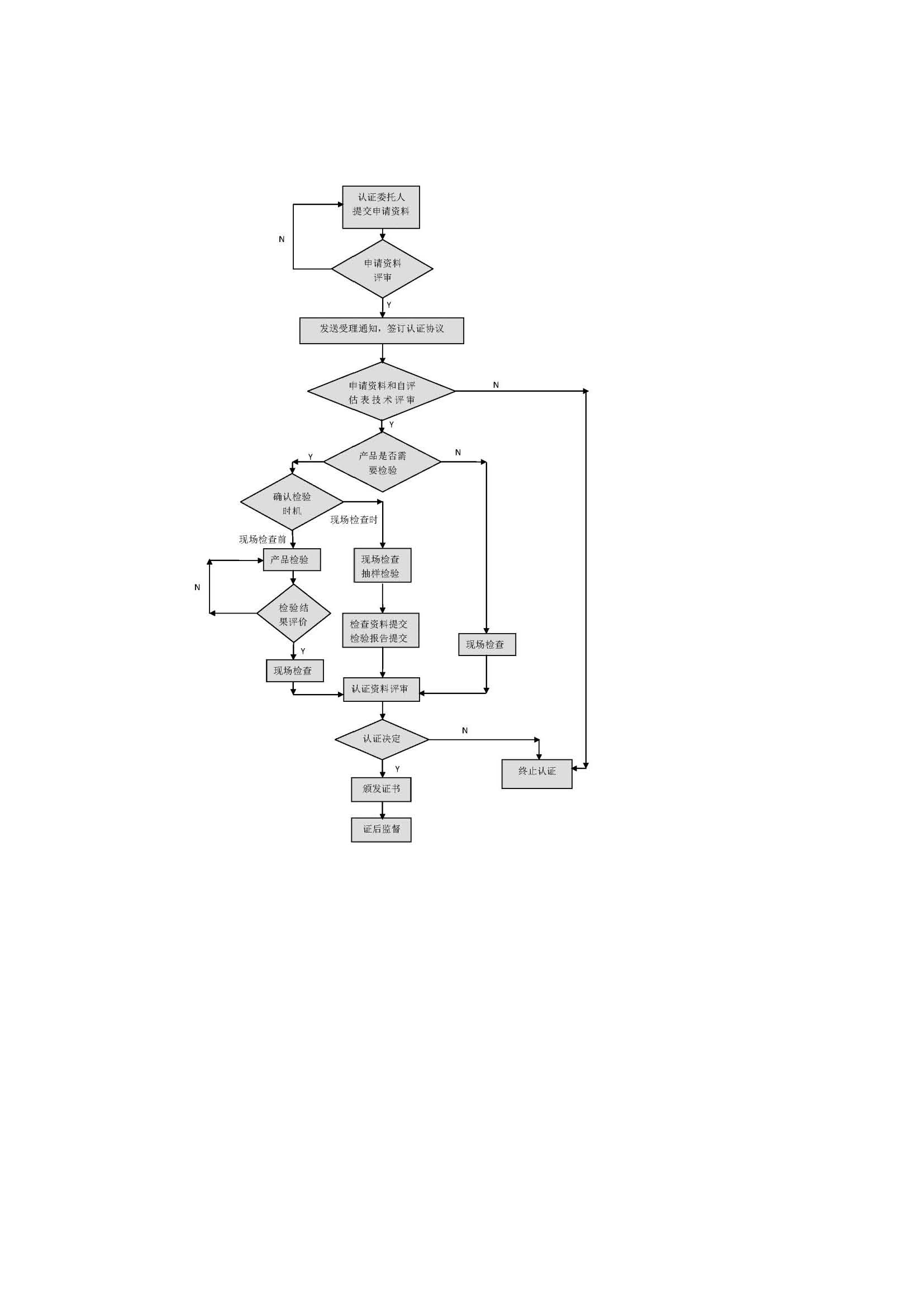
您現在的位置:首頁 > 產品認證 > 產品認證 > 中國綠色建材產品認證
地址:北京市海淀區增光路33號 郵編:100048 總機:010-88411888 質量聯絡人:010-68708523 版權所有:方圓標志認證集團有限公司 Copyright(©)www.cqm.cn|www.fjslyhb.com All Rights Reserved 京ICP備13011523號-1 京公網安備11010802045953號